Ruční zářivková svítilna s napájením z Li-Ion článků


!POZOR! TOTO ZAŘÍZENÍ VYTVÁŘÍ NEBEZPEČNÉ VYSOKÉ NAPĚTÍ. ZAŘÍZENÍ OBSAHUJE LI-ION ČLÁNKY JEŽ SE MOHOU PŘI PORUŠE ČI NESPRÁVNÉM ZACHÁZENÍ VZNÍTIT, ČI EXPLODOVAT. TAKÉ VYTVÁŘÍ ŠIROKOSPEKTRÁLNÍ RUŠENÍ. ZA JAKÉKOLI NEHODY NEZODPOVÍDÁM.





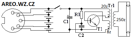
Toto je bateriová svítilna, kterou v dnešní době již nemá téměř žádný smysl stavět (pokud nemáte rádi zářivky). Pracuje ze čtyř kusů Li-Ion 18650 článků zapojených do série. Pokud je tedy akumulátor plně nabit, jeho výstupní napětí dosahuje 16,8V. Poté je ve svítilně již jen spínaný zdroj, který zvyšuje napětí pro zářivku. Pokud na výstup budete dávat nějakou slabší zářivku, je dobré s ní do série zařadit vhodný kondenzátor, aby se neusmažila. Tento zdroj vybudí i zářivky s přepálenými žhavicími filamenty, poněvadž je budí jako CCFL. Tranzistor T1 je nutno nainstalovat na malý chladič. Má svítilna z důvodu nedostatku místa má moc malý chladič a proto musí míti i malý ventilátor. Velikost jádra Tr1 je jako ve většině běžných kompaktních zářivkách. Při jeho motání dbejte na kvalitní izolaci. Je i nutno izolovat sekundární vinutí po vrstvách. Nabíjení této svítilny je však mnohem složitější , než-li celá svítilna. Pro nabíjení by se buď musel nabíjet jen jeden článek za čas, nebo je třeba mít čtyřnásobný zdroj 4,2V zapojený do série. Nabíjet akumulátor jen na jeho výstup se všemi články v sérii není vhodné, poněvadž Li-Ion články se musejí balancovat, aby jejich napětí nepřekročilo 4,2V. Tato nabíječka funguje na asi 10-30VDC. Také vytváří rušení, pokud není odstíněna. Upozorňuji však, že tato nbíječka má veliké rezervy. Chtělo by, aby jsem si s ní dal více práce. Není to sice ideální nabíječka, ale funguje. Ono by stačilo lepším obvodem budit její trafo, pak by již byla docela dobrá. Předělávat jí však asi nebudu. Svítilna není zevnitř vyfocena, poněvadž je již zkompletována a její rozdělání je složité.









Schéma svítilny:











Schéma nabíječky:











Možné provedení:











A nabíječka:







Důraz na přehledné zapojení:















Kouknu a vidim:











Osvětlený řezací stolek ve tmě:











26.04.2022