Automatický telefonní ovladač pro interkom bez IO


!POZOR! TOTO ZAŘÍZENÍ PRACUJE S ŽIVOTU NEBEZPEČNÝM NAPĚTÍM. ZA JAKÉKOLI NEHODY NEZODPOVÍDÁM.





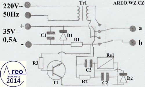
Tento linkový paralelní telefonní ovladač slouží ke spojení několika telefonů. Fungují na něm staré i nové, stolní s LCD a linkové bezdrátové telefony. Funguje následovně-PŘÍKLAD: jsou na tuto linku zapojeny paralelně tři telefony, někdo vezme sluchátko do ruky a ovladač zjistí pokles odporu linky. Když to zjistí, tak na asi 2-3 sekundy pustí na linku 50-100VAC. To rozezvoní všechny telefony na lince. Hned po zvednutí sluchátka příjemce se dá již komunikovat, poněvadž 15-35VDC je na lince. Po položení všech telefonů jde po pěti sekundách opět volat. Je také možné provozovat hovor i více telefonů najednou, třeba tří lidí. Ciferník či klávesnice telefonů nejsou využívány, kromě některých bezdrátových do ruky, kde se musí zmáčknout kterákoli číslice a poté zmáčknout zelené sluchátko, aby ostatní telefony začaly zvonit. Ale samozřejmě i tyto telefony příjmají hovory automaticky. Výjmečnost tohoto ovladače je to, že se na něj dá připojit větší množstní telefonů a že rozezvání telefony. Schémata zapojení telefonů na internetu zvonění nemívají a lidé tam vymýšlejí různé bzučáky na extra dvoulince. Tento ovladač však telefony automaticky na krátký čas, který je však nastavitelný kondenzátorem C3, rozezvoní jen po telefonní dvoulince a jejich vlastním integrovaným zvonkem (či v případě moderních, melodií). Tr1 je v nouzi nahraditelný odporem asi 5W 330 ohm a se zapojením do relé přímo na síť s tímto odporem na fázi v sérii do relé. Toto sice používám, ale z bezpečnostních důvodů VELICE nedoporučuji! Kontakty relé jsou kresleny v klidové poloze.













Dobrodošli :-):